Offshoreonly.com

Offshoreonly.com (https://www.offshoreonly.com/forums/)
-   General Q & A (https://www.offshoreonly.com/forums/general-q-20/)
-   -   8.2 oil pressure sensor location (https://www.offshoreonly.com/forums/general-q/376664-8-2-oil-pressure-sensor-location.html)

nsformula 08-08-2022 05:21 PM

8.2 oil pressure sensor location
 
8.2 oil sensor, anyone know location of the sensor on a 8.2, is it accessible.
trying to help a friend in a remote location diagnose an issue.
Can it be bypassed to cure a limp mode issue.

AllDodge 08-08-2022 06:17 PM

Always best to give motor serial number when asking questions

There are 2 places for senders or switches to be attached. Above the oil filter on the block, and below the distributor on the blocks deck

Limp mode gets me thinking its EFI (TBI or MPI) but don't know

nsformula 08-08-2022 06:45 PM


Originally Posted by AllDodge (Post 4840870)
Always best to give motor serial number when asking questions

There are 2 places for senders or switches to be attached. Above the oil filter on the block, and below the distributor on the blocks deck

Limp mode gets me thinking its EFI (TBI or MPI) but don't know

Thank you for the reply,
The boat is a 2010 Checkmate zt275 [baja clone]
It is in a remote area with no service available.
He will probably need to tow it home for service.
Was hoping maybe to bypass the sensor but that was a long shot.

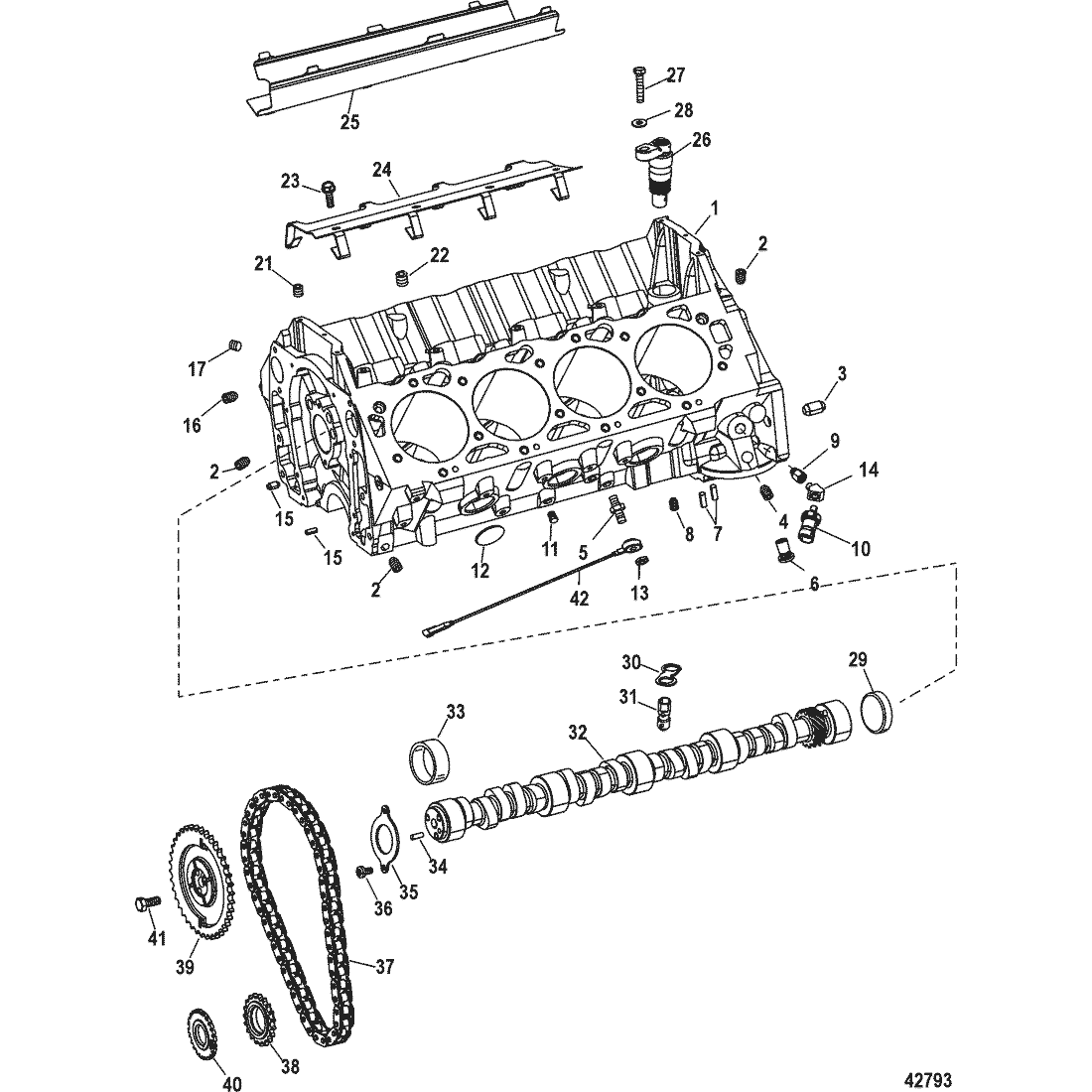
SB 08-08-2022 06:55 PM

See:
https://www.mercruiserparts.com/bam/...31938/14733/50
#10 is the oil psi sensor

https://cimg6.ibsrv.net/gimg/www.off...8287a911c0.gif





nsformula 08-08-2022 07:13 PM


Originally Posted by SB (Post 4840875)

Thank you.

AllDodge 08-09-2022 06:58 AM


Originally Posted by nsformula (Post 4840872)
Thank you for the reply,
The boat is a 2010 Checkmate zt275 [baja clone]
It is in a remote area with no service available.
He will probably need to tow it home for service.
Was hoping maybe to bypass the sensor but that was a long shot.

Would need to understand the problem, but if its a MPI then the oil pressure sensor doesn't have anything to do with fuel pressure, if that's the issue

nsformula 08-09-2022 11:37 AM


Originally Posted by AllDodge (Post 4840920)
Would need to understand the problem, but if its a MPI then the oil pressure sensor doesn't have anything to do with fuel pressure, if that's the issue

This is what he said yesterday,

The sensor in question is the Oil Temperature sensor. The smartcraft gauge says it's hooked up, but I can't find anywhere on anything Mercruiser that says I have a Oil Temp sensor. No drawings, nothing. Reading value says -47 degrees
The engine is in limp mode


AllDodge 08-09-2022 03:49 PM

Being a 2017 means it has CAT's. Don't see that motor having a oil temp sensor and the -47 means its not connected.

There is something else causing it to go in limp mode. Need to get it scanned with Dealer G3 computer or Rinda )Techmate Pro or Diacom software)

SB 08-09-2022 03:57 PM

Sounds like the more typical ‘Loose Nut Behind the Wheel’ trouble code. :)

nsformula 08-13-2022 11:22 AM


Originally Posted by SB (Post 4840986)
Sounds like the more typical ‘Loose Nut Behind the Wheel’ trouble code. :)

In this case, not likely, guy is a master mariner [harbor pilot for cruise and container ships} and a gear head with a couple of race cars too,
The boat is a 5 hour tow from home and diagnosis and repair,
It will be in a shop next week.

Thanks to those that replied.



All times are GMT -5. The time now is 11:47 AM.


Copyright © 2026 MH Sub I, LLC dba Internet Brands. All rights reserved. Use of this site indicates your consent to the Terms of Use.