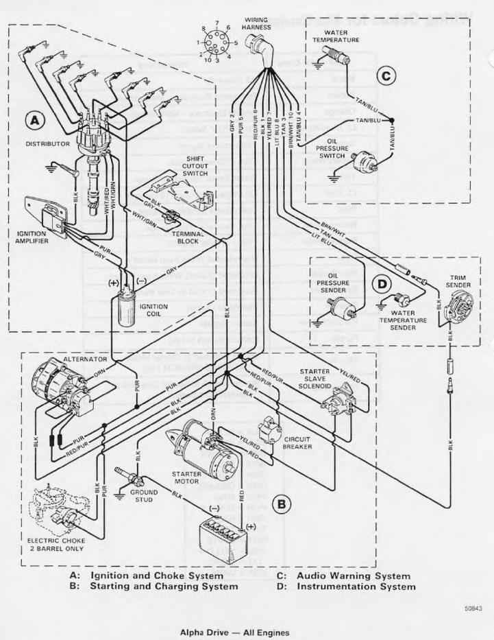
Shift interrupt alpha
#1
Thread Starter
Registered
Joined: Jan 2021
Posts: 5
Likes: 0
How do I wire it? Had it wired into new harness for carb setup. Wiring doesn't kill engine. Rewired to ground and to negative side of coil. I have to push switch in to keep running. Seem opposite to me. Please help.
#3
VIP Member

Joined: Nov 2002
Posts: 4,178
Likes: 333
From: ankeny,ia.
You have it wired right, the switch is just wrong, you need to have a switch for a carb engine that closes
( provides a ground) when activated, the EFI’s ran this circuit through the ECM, not by grounding the net side of the coil
( provides a ground) when activated, the EFI’s ran this circuit through the ECM, not by grounding the net side of the coil




