Hatch ram performance issues
#1
I had to order a new hatch ram from Formula for my 370SS. It was a perfect fit, no modifications necessary. Load testing my old batteries showed one was junk, so I also installed two new batteries, the Deka 1131 MF's.
My hatch ram has always been slow, but not so painfully slow it stops after 10 seconds or so. I release the button, and press it again. Rinse and repeat until it is finally open. I'm hoping someone here has been able to troubleshoot this issue and improve performance.
What voltage should I expect to see at the hatch ram motor wire? At the breaker? At the safety switch?
Could the 15 year old breaker be an issue, or the safety switch for the cockpit door in the stern?
Is it possible to add a relay safely loser to the hatch ram, with a shorter travel distance to the motor?
HATCH RAM PART: 18" 90DEG.10:1 Rev.A 06G02 85151-487 REV.A

My hatch ram has always been slow, but not so painfully slow it stops after 10 seconds or so. I release the button, and press it again. Rinse and repeat until it is finally open. I'm hoping someone here has been able to troubleshoot this issue and improve performance.
What voltage should I expect to see at the hatch ram motor wire? At the breaker? At the safety switch?
Could the 15 year old breaker be an issue, or the safety switch for the cockpit door in the stern?
Is it possible to add a relay safely loser to the hatch ram, with a shorter travel distance to the motor?
HATCH RAM PART: 18" 90DEG.10:1 Rev.A 06G02 85151-487 REV.A

__________________
K2
-----------------------------------------
CHESAPEAKE BAY POWER BOAT ASSOCIATION
'http://www.cbpba.com'
"Experience is something you don't have until just after you need it."
K2
-----------------------------------------
CHESAPEAKE BAY POWER BOAT ASSOCIATION
'http://www.cbpba.com'
"Experience is something you don't have until just after you need it."
#3
Registered

Joined: May 2009
Posts: 631
Likes: 408
From: Indiana
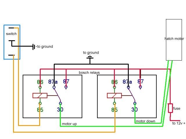
You need 2 relays mounted closer to ram and larger wire. Circuit is like power window circuit. Use curren wiring from switch to control relays. Search on here and you will find a schematic. Makes big difference in hatch operation.
#4
liberator221 dang! Thanks for reminding me. Friend sent me a diagram about a couple years ago for what you suggested (2 relays) and I got wrapped up in other priority projects on the boat. Then I need to get this project done.
Since the new ram is the Formula spec, I assume I can rule out that I would need a different ratio ram. Would it make sense to simply test the ram's performance by using some test wires (+/- with heavier gauge) direct to the battery to see if a direct connection makes a difference?

Since the new ram is the Formula spec, I assume I can rule out that I would need a different ratio ram. Would it make sense to simply test the ram's performance by using some test wires (+/- with heavier gauge) direct to the battery to see if a direct connection makes a difference?

__________________
K2
-----------------------------------------
CHESAPEAKE BAY POWER BOAT ASSOCIATION
'http://www.cbpba.com'
"Experience is something you don't have until just after you need it."
K2
-----------------------------------------
CHESAPEAKE BAY POWER BOAT ASSOCIATION
'http://www.cbpba.com'
"Experience is something you don't have until just after you need it."
#5
Registered

Joined: May 2018
Posts: 593
Likes: 111
From: Western Pennsylvanoa
Google this, it handles the ram load amps and the up/down switch controls this relay. slow ram issue solved!
Easy install and neat
Cole Hersee 24452
Easy install and neat
Cole Hersee 24452
Last edited by PA.WOODCHUCK; 05-18-2020 at 08:00 AM.
#6
Registered
Joined: Oct 2004
Posts: 122
Likes: 4
From: Maryland
I obviously never looked but I'm really surprised Formula doesn't use a relay already. That seems like a lot of current to run through a switch and a really long run to boot!
Just thinking out loud looking at the diagram in your OP, have you tried bypassing the transom door safety switch?
Just thinking out loud looking at the diagram in your OP, have you tried bypassing the transom door safety switch?
#7
I obviously never looked but I'm really surprised Formula doesn't use a relay already. That seems like a lot of current to run through a switch and a really long run to boot!
Just thinking out loud looking at the diagram in your OP, have you tried bypassing the transom door safety switch?
Just thinking out loud looking at the diagram in your OP, have you tried bypassing the transom door safety switch?
BTW, it was your situation this weekend that reminded me of the problem. In a high water alarm situation. I would want it to come up quickly without fail. I swear mine takes time measured in minutes to come up.
__________________
K2
-----------------------------------------
CHESAPEAKE BAY POWER BOAT ASSOCIATION
'http://www.cbpba.com'
"Experience is something you don't have until just after you need it."
K2
-----------------------------------------
CHESAPEAKE BAY POWER BOAT ASSOCIATION
'http://www.cbpba.com'
"Experience is something you don't have until just after you need it."
#8
Registered

Joined: May 2009
Posts: 631
Likes: 408
From: Indiana
Yea you could do the test run straight to batt to see, I’m 98% sure it will make a difference. I also mounted the relays so I could access them with hatch down. That way if one failed I could jumper wires and get hatch up.
#9
liberator221 That is brilliant.
__________________
K2
-----------------------------------------
CHESAPEAKE BAY POWER BOAT ASSOCIATION
'http://www.cbpba.com'
"Experience is something you don't have until just after you need it."
K2
-----------------------------------------
CHESAPEAKE BAY POWER BOAT ASSOCIATION
'http://www.cbpba.com'
"Experience is something you don't have until just after you need it."
#10
Registered

Joined: Apr 2014
Posts: 650
Likes: 123
From: North Florida
There is a pin that keeps the ram connected to the hatch on mine. In a no power situation you can pull that pin and lift the hatch by hand. My SS has sliding doors to access the pin and I know that most Formulas don’t, but you could easily route a pull cable in a sheath for emergencies.



