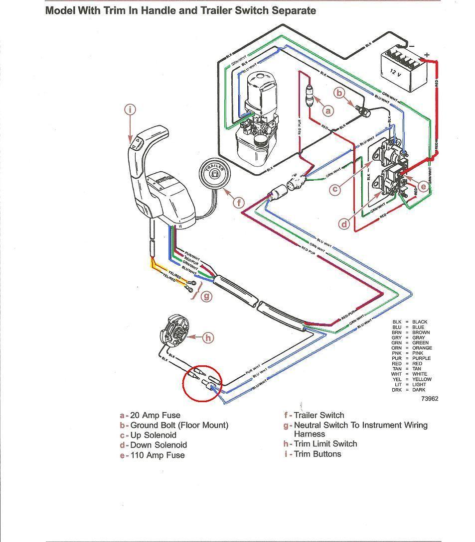
Replace this trim switch in handle
#2
Registered

Joined: Nov 2009
Posts: 4,198
Likes: 500
From: KY
Not that hard. Need to find the control for list of parts
https://www.mercruiserparts.com/remo...and-components
Move throttle full forward. In this position the neutral button can be popped out. Once out the throttle goes back to neutral and the retaining nut can be removed
https://www.mercruiserparts.com/remo...and-components
Move throttle full forward. In this position the neutral button can be popped out. Once out the throttle goes back to neutral and the retaining nut can be removed
#4
Thread Starter
Registered

Joined: Feb 2003
Posts: 6,192
Likes: 318
From: Lafayette,La
I’m pretty sure it’s the switch , won’t go down , tried switching at relays and still nothing , if I put blue plug on either relay I’m getting clicking
Try Green plug on either relay and nothing .
Try Green plug on either relay and nothing .
#6
Nope, not flooded out by us but it certainly is a bit soggy around here.
Just poke around the link AllDodge posted until you find the control that looks like that. To be honest I can't remember the last time I worked on one of those.
Just poke around the link AllDodge posted until you find the control that looks like that. To be honest I can't remember the last time I worked on one of those.
__________________
Marc
www.mercruiserparts.com
www.go-fast.com
www.bammarine.com
www.cyborgtransmissions.com
It's not alive -www.BoatStuffExpress.com - temporarily retired
Marc
www.mercruiserparts.com
www.go-fast.com
www.bammarine.com
www.cyborgtransmissions.com
It's not alive -www.BoatStuffExpress.com - temporarily retired
#8
Thread Starter
Registered

Joined: Feb 2003
Posts: 6,192
Likes: 318
From: Lafayette,La
Local boat dealer had the switch for handle (shocked really) just has different plug so will be splicing in , got a a pair of new OEM Volvo Penta relays from GLS .
Everything now operates.
So a simple seal replacement from 5 Star Marine on trim rams, new API pump since original was sounding weak , then the electrical bug . Going today to complete re assembly . I am thankful though that the electrical bug happened at storage building and not on the water , etc....
Thanks again men.
Everything now operates.
So a simple seal replacement from 5 Star Marine on trim rams, new API pump since original was sounding weak , then the electrical bug . Going today to complete re assembly . I am thankful though that the electrical bug happened at storage building and not on the water , etc....
Thanks again men.






