1998 5.7 no spark
#1
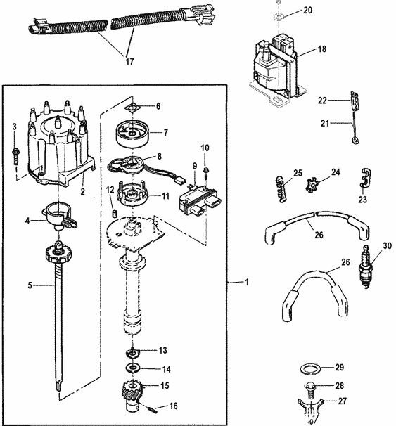
Friends boat. I'm not familiar with this ignition. Anything that "usually" goes wrong with them? Has replaced 4, 9 and 18 on the diagram. Do I tell him to just replace 8 and you will have replaced everything. Or is there some sensor like cam or crank that controls spark?
Thanks
Thanks
#4
VIP Member

Joined: Nov 2002
Posts: 4,178
Likes: 333
From: ankeny,ia.
Have they checked the shift interrupt switch on the shift bracket on the rh exhaust manifold, sometimes the lower shift cable will get stiff and drag and hold the interrupt switch in the closed position, which they use to kill the ignition momentarily to help it come out of gear, also, disconnect the tach wire, I had a tach short to ground and ( since it connected to coil neg) it wouldn’t develop any spark
Does the tach bounce / flutter when it’s cranking over?
Does the tach bounce / flutter when it’s cranking over?





