502 mag mpi idle issues
#21
Thread Starter
Registered
Joined: Dec 2017
Posts: 219
Likes: 6
[QUOTE=articfriends;4738550 when you said THIS, was it diling at the 1500? " When I put my finger over the air tube feedhorn the engine dies very quickly but when I put my finger over the hole in the throttle blade it idles smooth and clean at 650 700 rpm.", If so, adjust throttle blades closed more or run a very short screw, tight fitting screw in that hole with red loctite.[/QUOTE]
Yes it was idling at 1500. I can put my finger on the hole in the throttle blade and it idles at 650 700 rpm on the gauge. Looking at the throttle blades they look completely closed to me. I cant find a vacuum leak but Im going to rent a vacuum gauge today. I dont expect it will be very helpful considering that its seems like it is getting to much air. By putting my finger over the hole tells me its getting to much air somewhere. Surely its not from that hole. Those holes were there from the factory and serve a purpose but carb cleaner around the intake and other port hold show no results of leaks. Im literally at a loss here. What is the best way to test the IAC that it is functioning?
Yes it was idling at 1500. I can put my finger on the hole in the throttle blade and it idles at 650 700 rpm on the gauge. Looking at the throttle blades they look completely closed to me. I cant find a vacuum leak but Im going to rent a vacuum gauge today. I dont expect it will be very helpful considering that its seems like it is getting to much air. By putting my finger over the hole tells me its getting to much air somewhere. Surely its not from that hole. Those holes were there from the factory and serve a purpose but carb cleaner around the intake and other port hold show no results of leaks. Im literally at a loss here. What is the best way to test the IAC that it is functioning?
#23
It doesn't do it when cold. I can rev it and it settles back to 800 but as soon as the engine is warm it does it. If it's not having control warm what would that lean to?
Anyone know a GM part number to replace the IAC? As I understand it the IAC is the same as the car engines but I do want ot make sure I get the right one and since they are much cheaper it will definitly at least let me test it.
Anyone know a GM part number to replace the IAC? As I understand it the IAC is the same as the car engines but I do want ot make sure I get the right one and since they are much cheaper it will definitly at least let me test it.
#25
Thread Starter
Registered
Joined: Dec 2017
Posts: 219
Likes: 6
Yes Smitty tuned the ECM and did an amazing job. The engine fired off within 2 seconds and idles perfectly all day until i give it throttle. I believe the problem is vacuum related just finding it is the problem and figuring out why this wont go back to pre start condition. I will try and back off the throttle body stops to see if it helps. I feel like the hole in the blade is there for a reason and should be Id really like to find the culprit. I will try some carb cleaner around all the intake ports and hoses again as well. I like the idea of pulling the IAC off and checking for movement but have no way of telling if its actually all the way out or in. For a completely bone stock engine its giving me a little fit and I just want to float.
#26
Thread Starter
Registered
Joined: Dec 2017
Posts: 219
Likes: 6
Yes Smitty tuned the ECM and did an amazing job. The engine fired off within 2 seconds and idles perfectly all day until i give it throttle. I believe the problem is vacuum related just finding it is the problem and figuring out why this wont go back to pre start condition. I will try and back off the throttle body stops to see if it helps. I feel like the hole in the blade is there for a reason and should be Id really like to find the culprit. I will try some carb cleaner around all the intake ports and hoses again as well. I like the idea of pulling the IAC off and checking for movement but have no way of telling if its actually all the way out or in. For a completely bone stock engine its giving me a little fit and I just want to float.
#27
Thread Starter
Registered
Joined: Dec 2017
Posts: 219
Likes: 6
Bad IAC!!!!! Went to oriellys and bought part number# 2IAC2. Went back and took off the old one and it didnt move when I cycled the engine on and off. Put the new one on and it cycled. Started the engine and idles around 650 700 rpm revs and it idles back at 650 700. It surges once but may need to learn the IAC?
#28
Thread Starter
Registered
Joined: Dec 2017
Posts: 219
Likes: 6
Bad IAC!!!!! Went to oriellys and bought part number# 2IAC2. Went back and took off the old one and it didnt move when I cycled the engine on and off. Put the new one on and it cycled. Started the engine and idles around 650 700 rpm revs and it idles back at 650 700. It surges once but may need to learn the IAC?
#29
Registered

Joined: May 2018
Posts: 593
Likes: 111
From: Western Pennsylvanoa
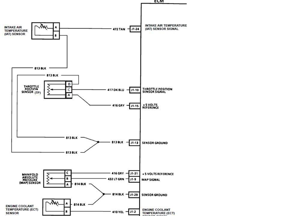
If the TPS doesn't think the throttle is all the way closed cant the RPM be increase by the ECM?
I'm going to say yes.
How many wires on TPS, and is it just closed/open/closed or variable ohms from idle to WOT? I'm not familiar with the EFI system but basing on my auto knowledge.
Can you post the wiring diagram showing wiring from TPS to ECM?
I'm going to say yes.
How many wires on TPS, and is it just closed/open/closed or variable ohms from idle to WOT? I'm not familiar with the EFI system but basing on my auto knowledge.
Can you post the wiring diagram showing wiring from TPS to ECM?








